FE185C057HA-1
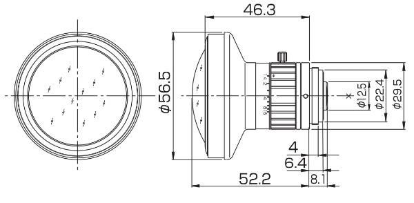
FE185C057HA-1是富士能2/3英寸魚眼鏡頭,焦距1.8mm,光圈范圍F1.4-F16,重量135g。
關閉
產品咨詢
客服熱線:0755-22932347


